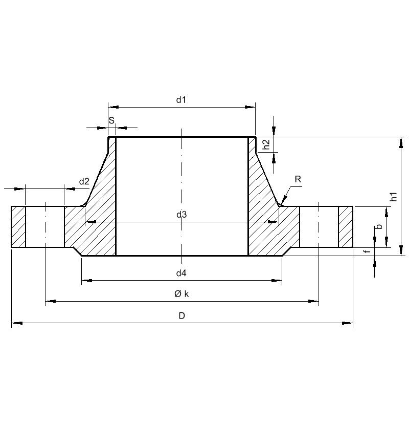
Type 11 Welding neck flanges

| Size (in inch) | d1 | D PN 6 | ||||
|---|---|---|---|---|---|---|
| 10 | ISO | 17,2 | 75 | |||
| 15 | DIN | 20 | 80 | |||
| 15 | ISO | 21,3 | 80 | |||
| 20 | DIN | 25,0 | 90 | |||
| 20 | ISO | 26.9 | 90 | |||
| 25 | DIN | 30,0 | 100 | |||
| 25 | ISO | 33,7 | 100 | |||
| 32 | DIN | 38,0 | 120 | |||
| 32 | ISO | 42,4 | 120 | |||
| 40 | DIN | 48.3 | ||||
| 40 | ISO | 48,3 | ||||
| 50 | DIN | 57,0 | ||||
| 50 | ISO | 60,3 | ||||
| 65 | ISO | 76,1 | ||||
| 80 | ISO | 88,9 | ||||
Your list - 0 Positions - Total weight: 0 kg
Your cart is currently empty.